新闻与公告

News and Announcements

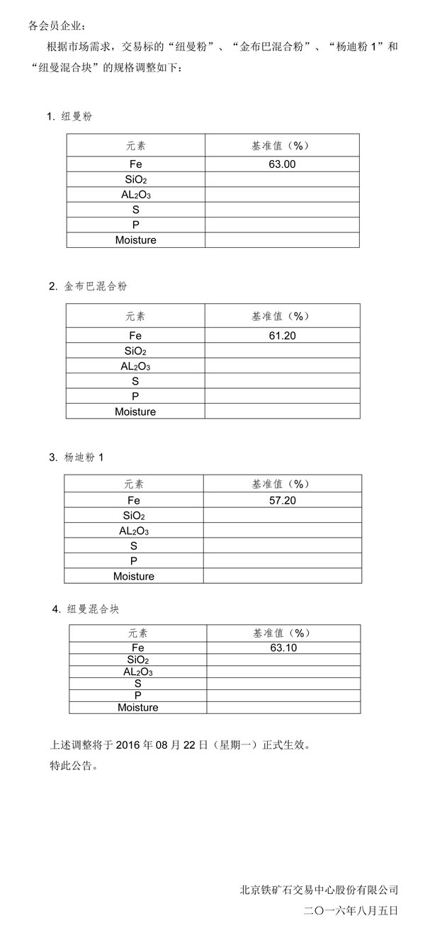
关于调整交易标的的公告

发布时间: 2016-08-05